Страница 1 из 1
сигнал не пристегнутых ремней

Добавлено:
24.01.08 10:30
Алексей_
вот в связи с новыми штрафами надо пристегиваться. вот и хочу узнать как там и что тянеться от ремней чтоб починить сигнал. в "машинке" на приборке видел кусок красного "лишнего" провода, все роботает отлично, наверно он от ремней? и где и как искать провода от ремней? подскажите плиз
Re: сигнал не пристегнутых ремней

Добавлено:
24.01.08 10:49
Александр Арт.
Алексей_ пишет:вот в связи с новыми штрафами надо пристегиваться. вот и хочу узнать как там и что тянеться от ремней чтоб починить сигнал. в "машинке" на приборке видел кусок красного "лишнего" провода, все роботает отлично, наверно он от ремней? и где и как искать провода от ремней? подскажите плиз
По-моему проще взять за правило пристегиваться и всё. И других заставлять

Добавлено:
24.01.08 13:06
Incredible
О каком сигнале идет речь?
Насколько знаю, у нас нед датчиков пристегнутом ремнями. Там просто на время срабатывает реле, которое и включает лампочку на приборке, а через определенное время её выключается. И всё.
А так, просто приучите себя пристегиваться, и не недо никаких лампочек, это намного удобнее и полезнее.

Добавлено:
24.01.08 13:31
EvGeniy_U
Вот именно, у вас эта лампочка - просто напоминание, датчиков никаких нет.
Re:

Добавлено:
24.01.08 13:51
Dimastiy
Incredible пишет:О каком сигнале идет речь?
Насколько знаю, у нас нед датчиков пристегнутом ремнями. Там просто на время срабатывает реле, которое и включает лампочку на приборке, а через определенное время её выключается. И всё.
А так, просто приучите себя пристегиваться, и не недо никаких лампочек, это намного удобнее и полезнее.
Как так? вроде стояли раньше датчики?

Добавлено:
24.01.08 13:54
Lain84
Если посмотреть по схеме, то там есть только реле ремней безопасности, а датчиков там никаких не нарисовали, хотя было бы наверное неплохо для злостных нарушителей поставил ещё одну релюшку на блокировку бензанасоса или стартера и пока не престегнёшься не поедешь.

Re:

Добавлено:
24.01.08 17:40
Vova39
Dimastiy пишет:Как так? вроде стояли раньше датчики?
Не стояли. Там просто лампушка секунд десять в центре машинки горит, напоминая о том, что неплохо бы пристегнуться. К ней конечно можно и зуммер приаттачить, но зачем?

Добавлено:
24.01.08 17:57
strussa
.....и сейчас на многих машинах подключен только датчик на ремень водительский


Добавлено:
25.01.08 00:58
Incredible
Ага, всё верно! Просто время горения так рассчитано, что кажется что она на датчик работает.

Re: сигнал не пристегнутых ремней

Добавлено:
02.09.09 10:45
drapieznik
Воспользовался поиском на форуме, но ответа на свой вопрос не нашел. Речь об
реле ремней безопасности, - нужен фордовский номер (например, реле задержки внутреннего освещения: желтое,
85GG 13C718 AA) - заранее буду благодарен за ответ.

Re: сигнал не пристегнутых ремней

Добавлено:
02.09.09 19:03
alexey007
drapieznik пишет:Воспользовался поиском на форуме, но ответа на свой вопрос не нашел. Речь об
реле ремней безопасности, - нужен фордовский номер (например, реле задержки внутреннего освещения: желтое,
85GG 13C718 AA) - заранее буду благодарен за ответ.

А у меня она не горит, можт реле выбросили... Расскажите как оно выглядет и номерок, тож захотелось сделоть чтоб работало! В принципе, я в своей машине уже многое восстановил, что раньше старые хозяева считали не нужным. Хочу чтобы все работало что было от завода, даже такие мелочи как эта лампочка :)
Re: сигнал не пристегнутых ремней

Добавлено:
02.09.09 20:19
drapieznik
Я уже даже немного обыскал британский форум - списки реле встречал, но требуемое не нашел

Re: сигнал не пристегнутых ремней

Добавлено:
02.09.09 22:21
Miha
ЭЭЭЭ нету там реле. там просто в блоке графической информации таймер который в течении Хти секунд блимкает лампушкой. Никаких контактов в замках ремней и реле нет в природе.
Тяжко наверно искать чёрную кошку в тёмной комнате, тем более если её там нет.
Re: сигнал не пристегнутых ремней

Добавлено:
03.09.09 18:09
Славик
Miha
А почему не горит нихрена? Эмблемка есть, а света нет!
Re: сигнал не пристегнутых ремней

Добавлено:
03.09.09 21:07
drapieznik
На схемах по Скорпах - "черная кошка" очень отчетливо смотрится...

Re: сигнал не пристегнутых ремней

Добавлено:
04.09.09 07:45
Miha
Славик
Лампушка могла сгореть.
Re:

Добавлено:
05.09.09 10:27
Hranitel
Lain84 пишет:Если посмотреть по схеме, то там есть только реле ремней безопасности, а датчиков там никаких не нарисовали, хотя было бы наверное неплохо для злостных нарушителей поставил ещё одну релюшку на блокировку бензанасоса или стартера и пока не престегнёшься не поедешь. :twisted:
Ага прикольно хочеш выехать из гаража, пристегнись.
У меня ща стоит на водительском сидение такой датчик. Если не престигнулся, после включения зажигание в течении 15 сеекунд звуковой сигнал ну и горит красная лампочка на приборке. Хорошо что токо 15 сек не так раздрожает если пристегиватся не нада.
Re: сигнал не пристегнутых ремней

Добавлено:
05.09.09 15:34
drapieznik
Re: сигнал не пристегнутых ремней

Добавлено:
12.12.14 11:48
Костя Луганск
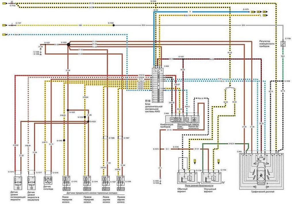
И схема включения:

- дополнительная контрольная система AWS1.JPG (119.95 КБ) Просмотров: 13013